Skanholz Einzelcarport »Emsland« Massivholz 291 cm natur versch. Farben
Loading ratings...
Ursprünglicher PreisUVP 3.555,00 €Rabatt- 343,51 €
Aktueller Preis3.211,49 €inkl. Steuer, zzgl. Speditionsgebühr
1605 PAYBACK Punkte
TIPP
oder ab
97,41 €
in
48 Raten
Farbe
natur
Maße
Anzahl
1
kommt in 4 Wochen
Artikel wird bis zur Grundstücksgrenze geliefert (nur bei LKW-befahrbarer Straße)
Loading services...
Informationen über das Produkt überspringenProduktdetails und Serviceinfos
Artikelbeschreibung
Art.-Nr.: 2145261912
- Flachdach-Carport mit Aluminium-Dachplatten
- Massive Konstruktion aus hochwertigem Fichten Leimholz
- Pfostenstärke: 12 x 12 cm
- Inkl. Pfostenanker und Regenrinne
| Produktdetails | |
|---|---|
Lieferumfang | Regenrinne;Pfostenanker |
Form Dach | Flachdach |
Art Dacheindeckung | Dachplatten |
Herstellergarantie | 5 Jahre gemäß den Garantie-Bedingungen |
| Maße & Gewicht | |
|---|---|
Hinweis Maßangaben | Alle Angaben sind ca.-Maße. |
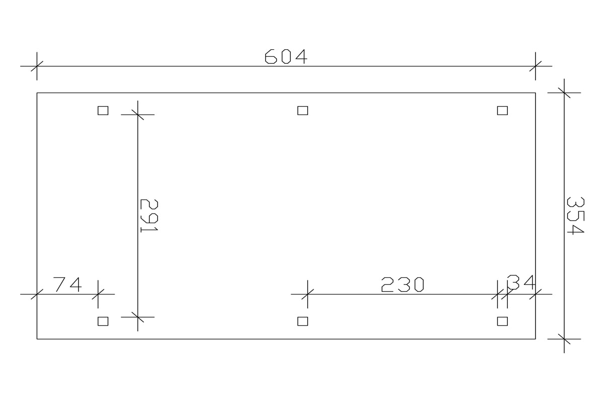
Breite Einfahrt | 291 cm |
Höhe Einfahrt | 223 cm |
Fläche Dach | 21,38 m² |
Abstand Pfosten | 230 cm |
Durchmesser Pfosten | 12 cm |
Breite Sockelmaß | 315 cm |
Gewicht | 408 kg |
Schneelast maximal | 105 kg/m |
Breite Gesamtaußenmaß | 354 cm |
Tiefe Gesamtaußenmaß | 604 cm |
| Farbe & Material | |
|---|---|
Farbbezeichnung | natur |
Material Konstruktion | Massivholz |
Material Dacheindeckung | Aluminium |
Holzart | Fichte |
Oberflächenbehandlung | naturbelassen |
Kundenbewertungen über das Produkt überspringen Kundenbewertungen (0)
Für diesen Artikel sind noch keine Bewertungen vorhanden.
Kundenumfrage überspringen
Hilf uns, besser zu werden!
Wie gefällt dir die Detailseite?

